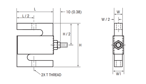
Loadcell SLS410 sử dụng công nghệ Strain Gauge tin cậy, đảm bảo độ ổn định đo lường vượt trội. Ngõ ra có độ nhạy cao, cho phép kết hợp với các bộ chỉ thị cân kinh tế để tạo nên giải pháp tối ưu. Dải tải trọng rộng giúp tối đa hóa tín hiệu, nâng cao hiệu quả cho nhiều ứng dụng khác nhau.
Loadcell METTLER TOLEDO SLS410 có sẵn cả phiên bản ren hệ mét và hệ inch, đáp ứng tiêu chuẩn cơ khí phổ biến. Nhờ đó, SLS410 dễ dàng tích hợp vào hầu hết các hệ thống cân hiện có.
Tùy chọn thêm Module Tension Weigh SWS310 cung cấp giải pháp hoàn chỉnh để tích hợp vào hệ thống cân. Với thiết kế tối ưu, SWS310 đảm bảo hiệu suất cân chính xác và ổn định. Lớp cách ly IC với thanh ren giúp giảm tác động từ dòng điện rò xuống đất, đồng thời bảo vệ loadcell khỏi sét đánh và hư hại do hàn điện.

DataSheet SLS410 Load Cell English (pdf)

Beta Solution - Nhà phân phối chính hãng của Mettler Toledo tại Việt Nam
Chúng tôi cam kết cung cấp sản phẩm chính hãng, đầy đủ CO/CQ, bảo hành tiêu chuẩn toàn cầu, cùng dịch vụ kỹ thuật và hậu mãi chuyên nghiệp.
Tác giả: Admin
Tại sao dust collector có thể gây nổ? 3 nguyên nhân chính nhà máy cần biết
Kst là gì? Chỉ số quyết định mức độ nguy hiểm của nổ bụi
Dust explosion là gì? Nguy cơ nổ bụi trong nhà máy và cách nhận diện sớm
Ứng Dụng Lọc Nước Trong Ngành Thực Phẩm & Đồ Uống: Case Study Giải Pháp Process Filtration
[Case Study] Giảm 18% Hao Hụt Nguyên Liệu Nhờ Hệ Thống Cân Thông Minh
Dew Point Khí Nén Là Gì? Giải Pháp Kiểm Soát Độ Ẩm Từ Donaldson